导航
首页
政务公开
政务服务
互动交流
走进潼南
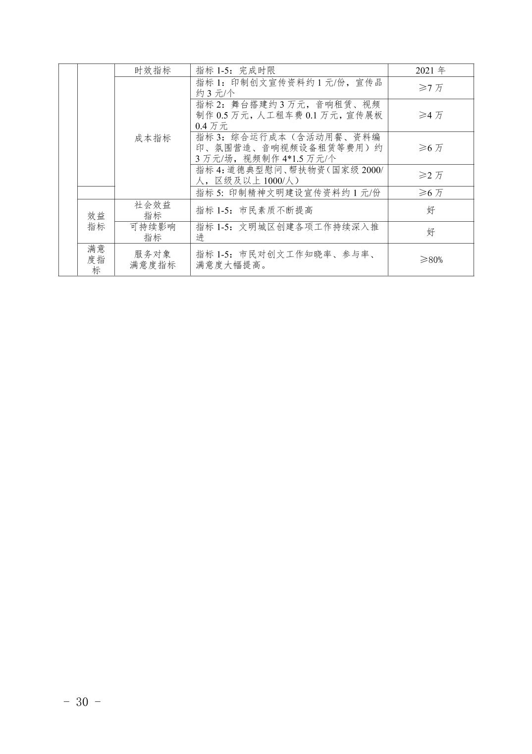
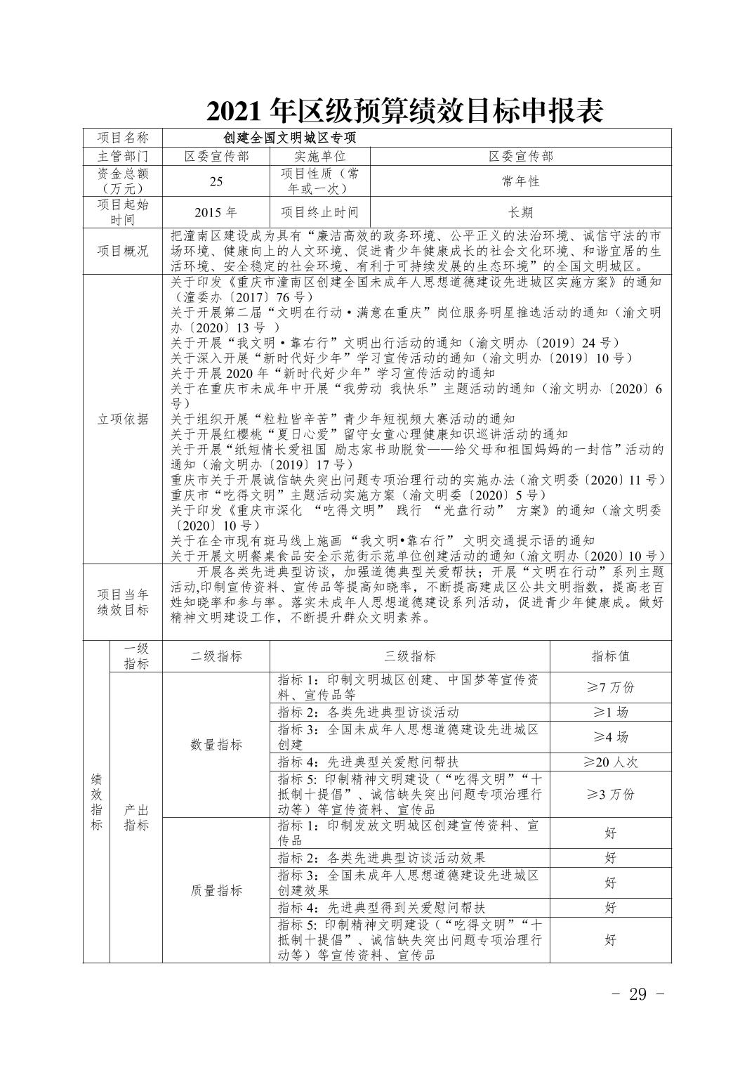
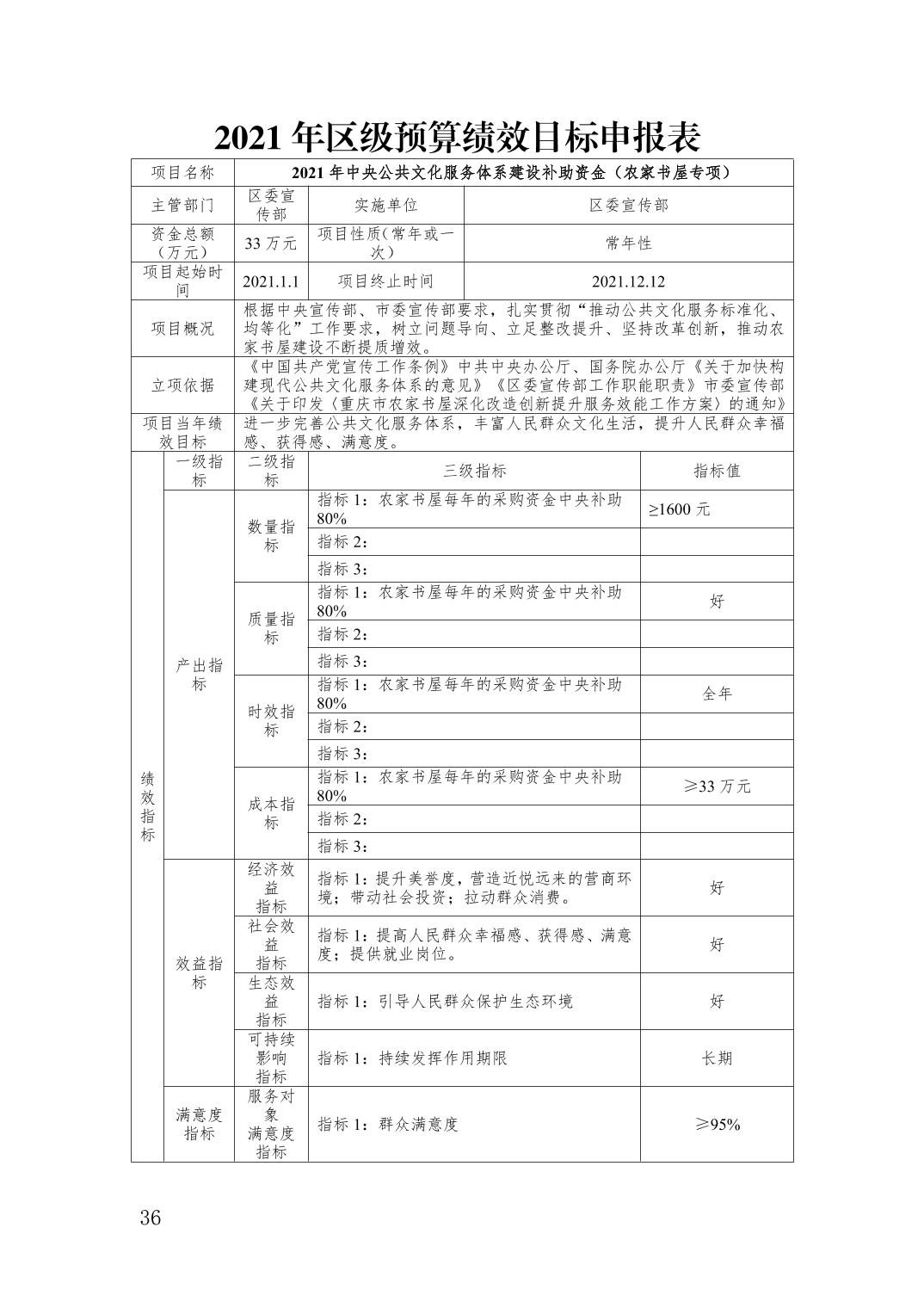
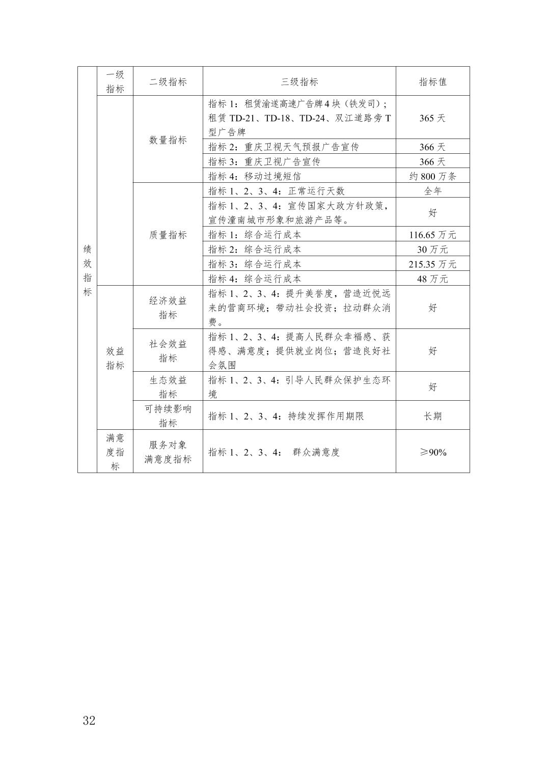
中共重庆市潼南区委宣传部2021年部门预算公开
日期:
2021-02-08
【
字体:
大
中
小
】