导航
首页
政务公开
政务服务
互动交流
走进潼南
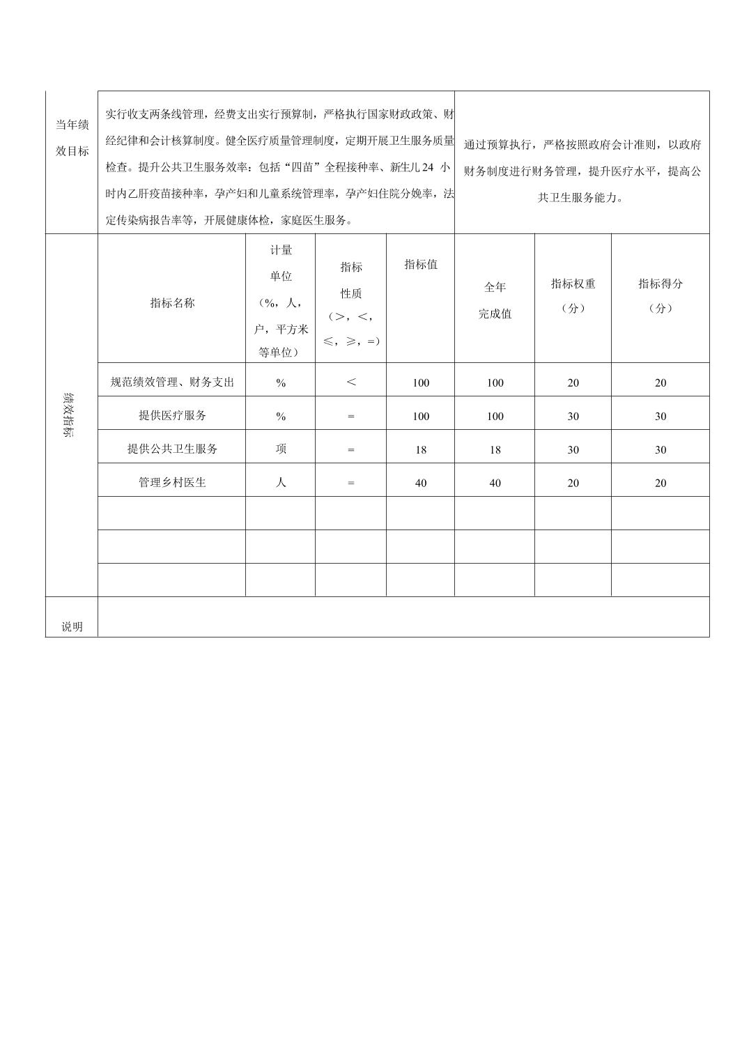
重庆市潼南区太安镇卫生院2023年度决算情况说明
日期:
2024-08-30
【
字体:
大
中
小
】