导航
首页
政务公开
政务服务
互动交流
走进潼南
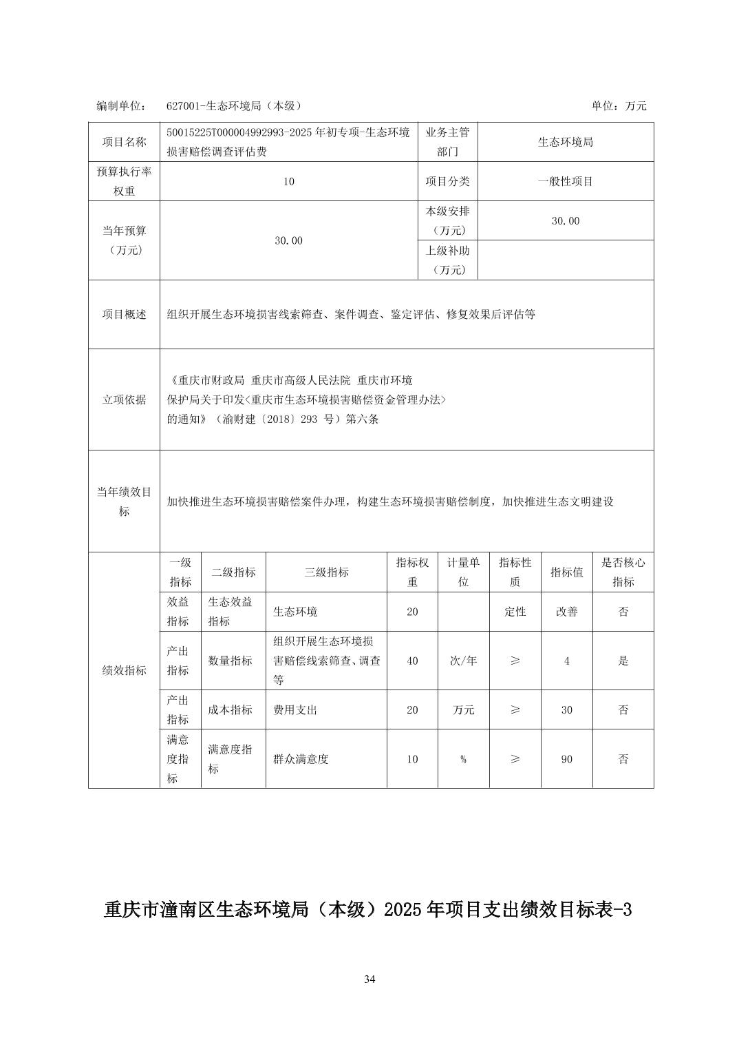
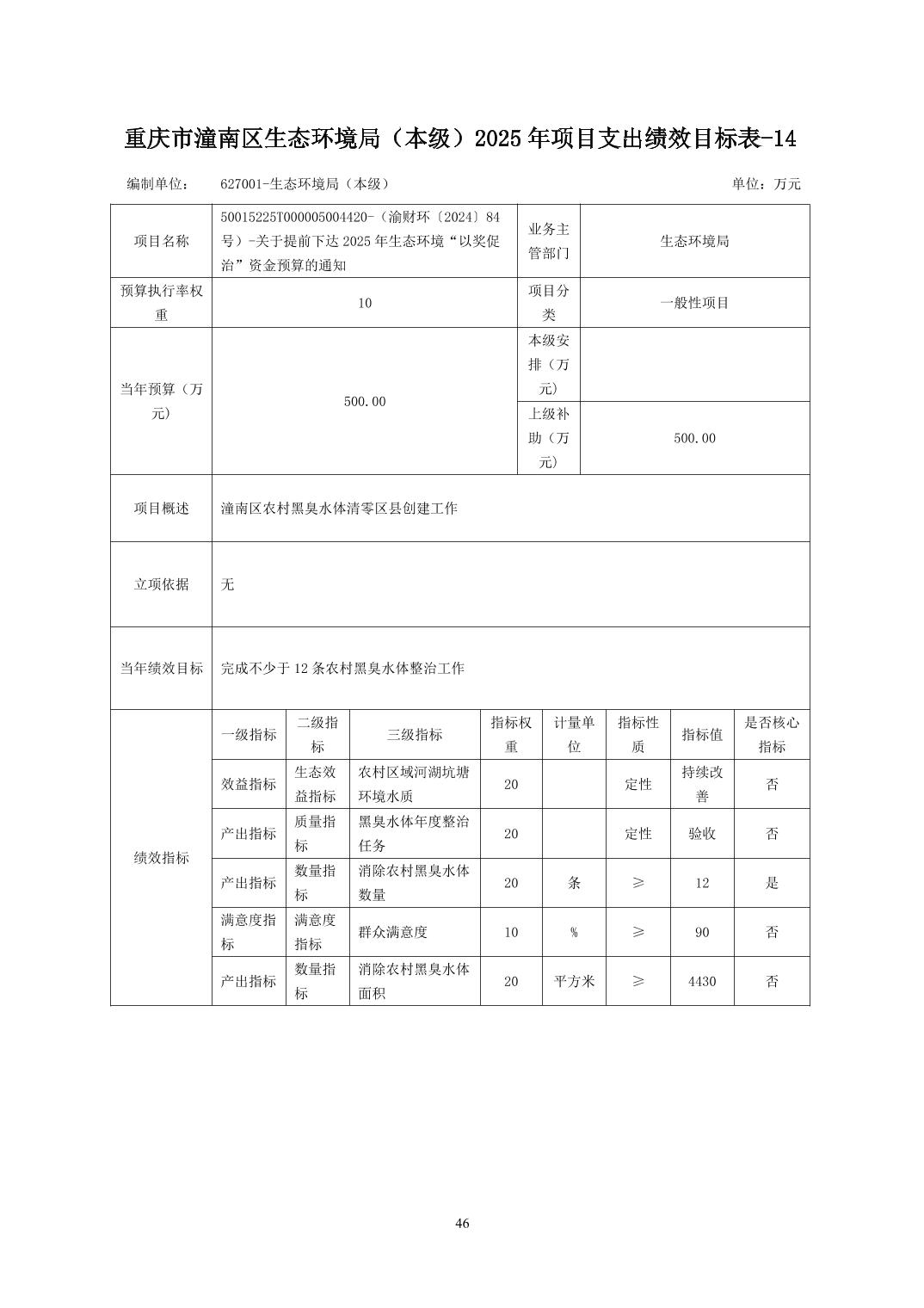
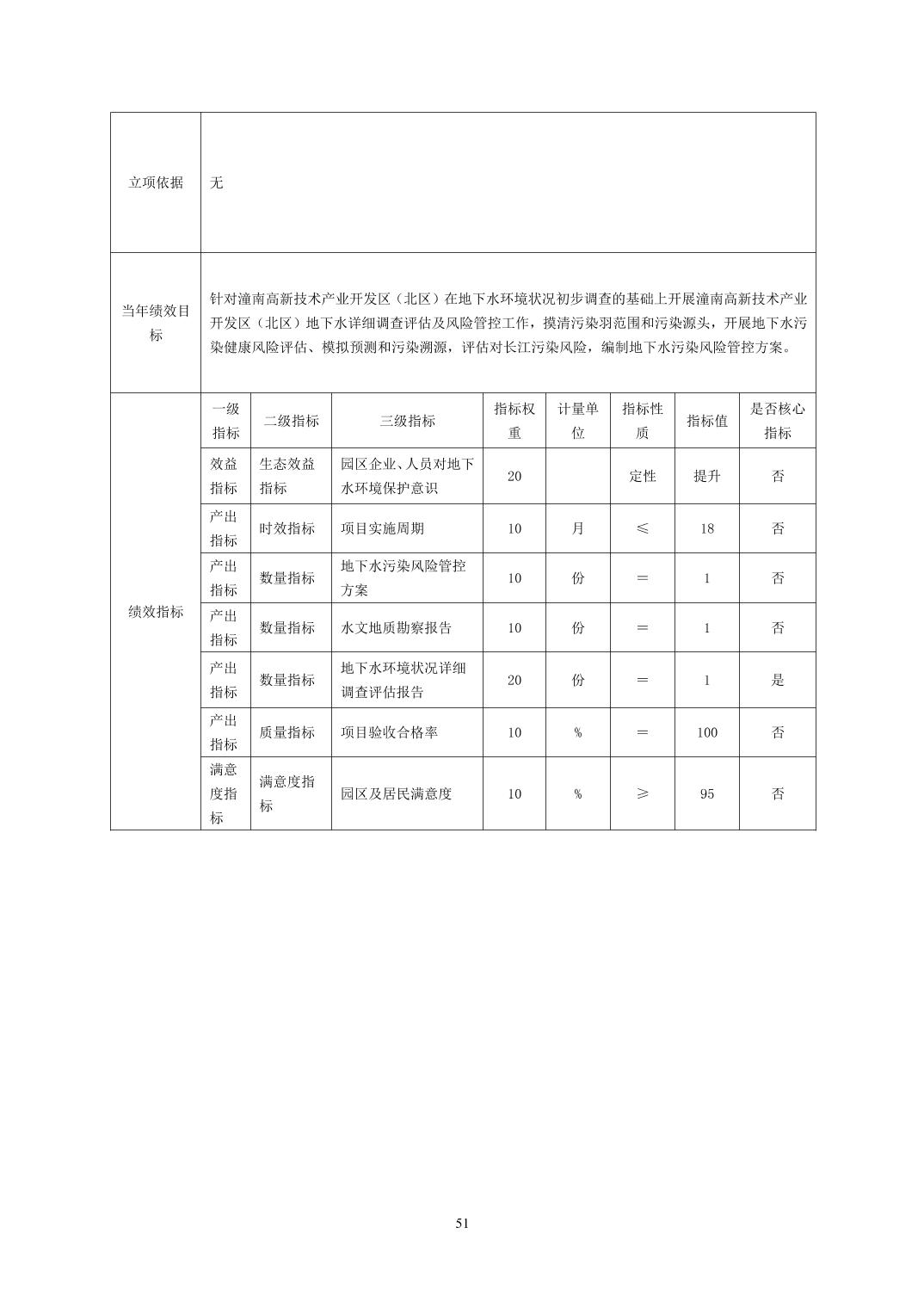
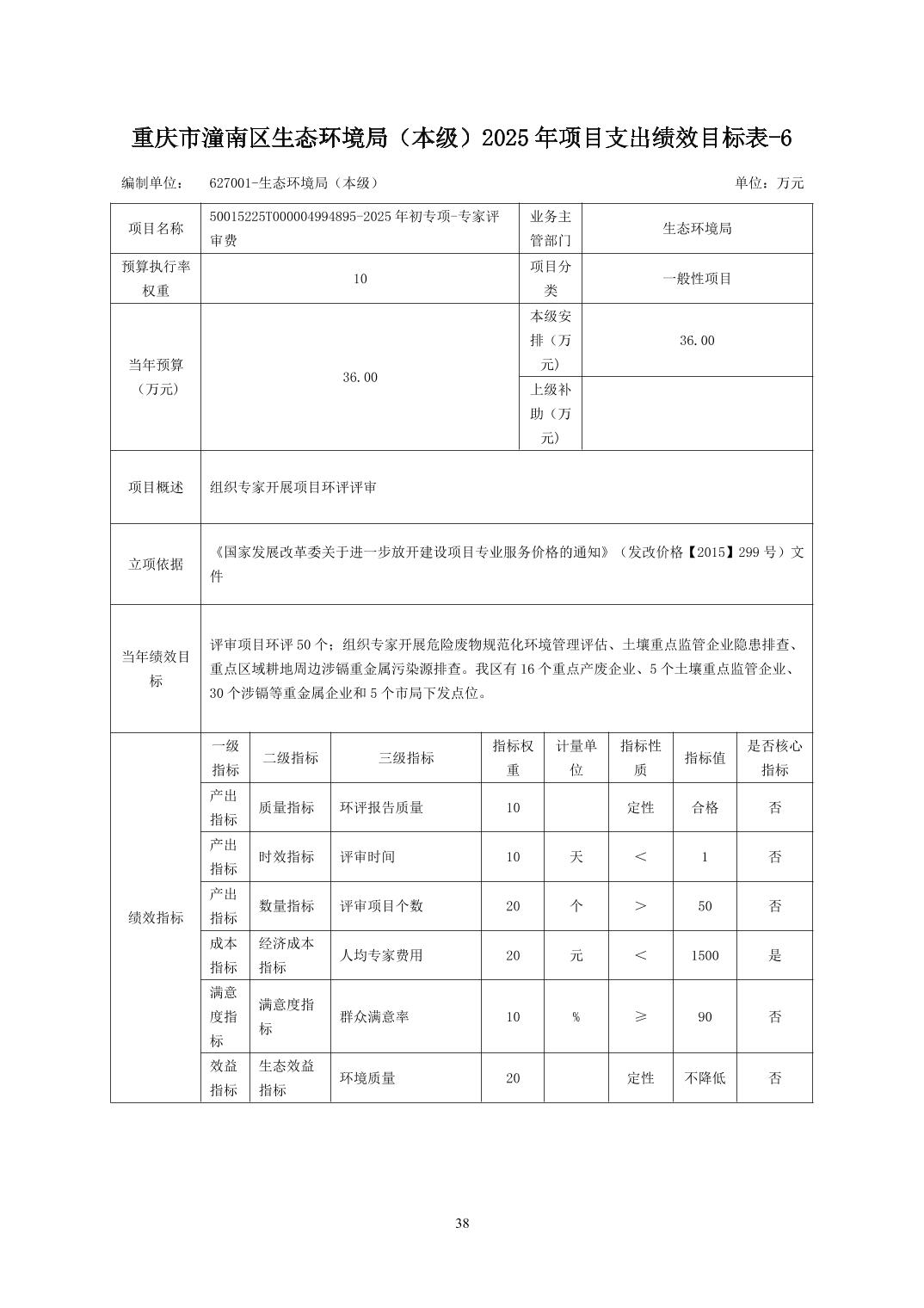
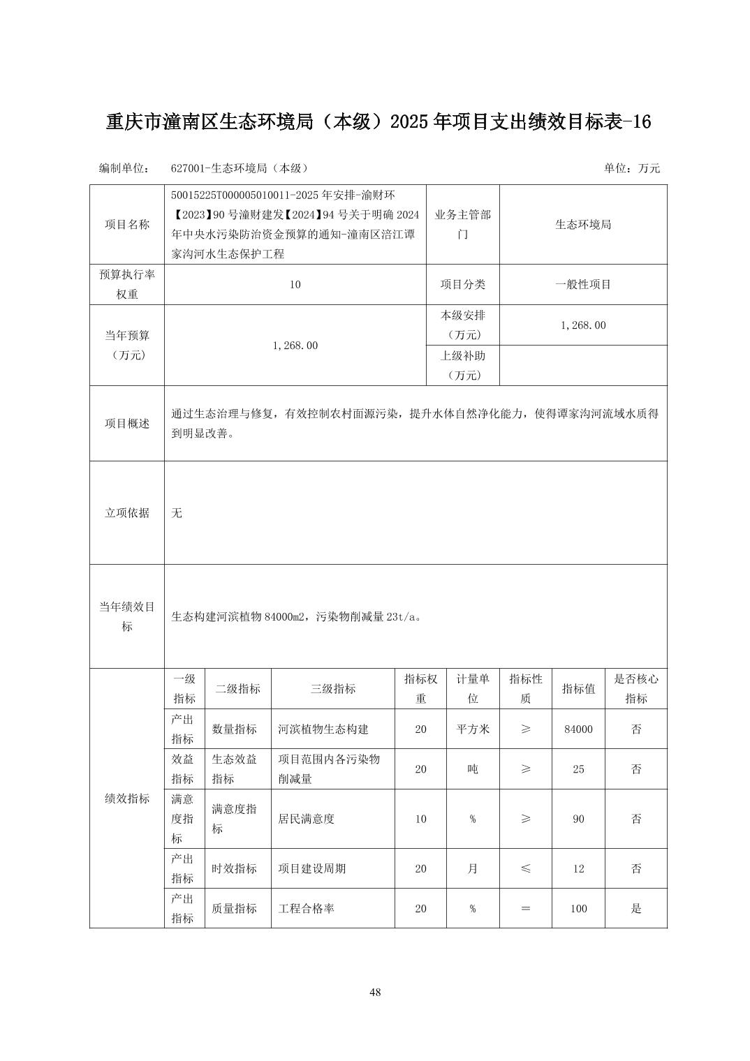
重庆市潼南区生态环境局本级2025年部门预算公开
日期:
2025-02-07
【
字体:
大
中
小
】