导航
首页
政务公开
政务服务
互动交流
走进潼南
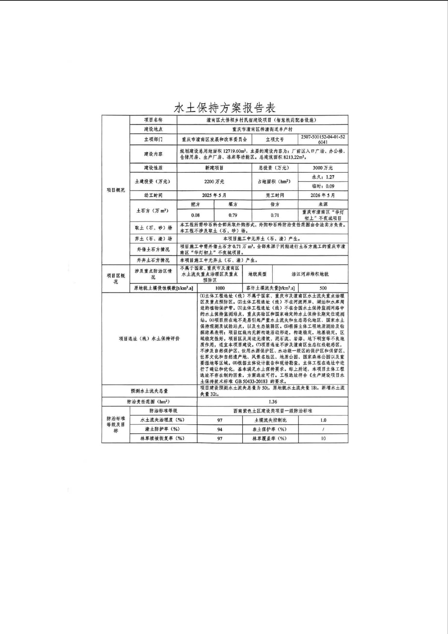
〔2025〕14号潼南区大佛坝乡村民宿建设项目(智慧粮药配套设施)水土保持方案批复
日期:
2025-12-31
【
字体:
大
中
小
】