导航
首页
政务公开
政务服务
互动交流
走进潼南
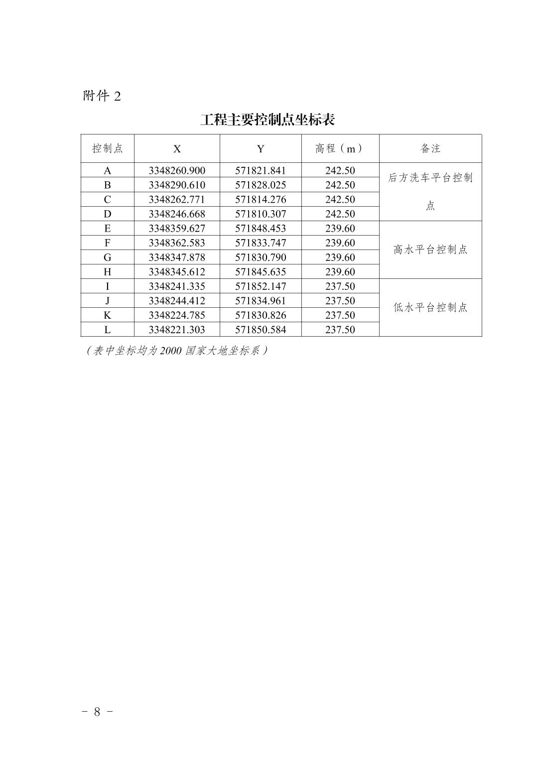
潼水许可〔2025〕78号涪江干流梯级渠化双江航电枢纽工程船闸工程土建施工疏浚工程唐官窑砂石装卸临时上岸点洪水影响评价的决定
日期:
2025-12-25
【
字体:
大
中
小
】